服務熱線
021-33617555
全國服務熱線:
021-33617555
500X泄壓持壓閥主要用于調節工業自動化過程控制領域中的介質流量、壓力、溫度、液位等工藝參數。根據自動化系統中的控制信號,自動調節閥門的開度,從而實現介質流量、壓力、溫度和液位的調節。
500X泄壓/持壓閥主要用于消防或其他供水系統中,以防止系統超壓或維持消防供水系統的壓力。消防泵關閉后還可以特性,使比重較大、直徑較大的懸浮顆粒不會進入控制系統,確保系統循環暢通無阻,使閥門能安全可靠地運行。系統動作平穩、強度高、使用壽命長。非常適用于600口徑以下的管道。水利控制閥就是水壓控制的閥門,水力控制閥由一個主閥及其附設的導管﹑導閥﹑針閥﹑球閥和壓力表等組成。根據使用目的﹑功能及場所的不同可演變成遙控浮球閥﹑減壓閥﹑緩閉止回閥﹑流量控制閥﹑泄壓閥﹑水力電動控制閥、水泵控制閥等。
500X泄壓持壓閥前要安裝過濾器,并應便于排污的要求。
水利控制閥是一種利用水自潤式閥體,無須另加機油潤滑,如遇主閥內零部件損壞時,請按下列指示進行拆卸。(注:內閥內一般消耗損傷品為膜片和
但在工程中應用水力控制閥時,還存在一定誤區,如閥的適用條件,閥的設計選用要求,安裝要點等,為此,本文擬以 CECS 標準《水力控制閥應用設計規程》(送審稿)為基礎,結合本人的體會來闡述上述諸方面的{TodayHot}問題。
泄壓持壓閥:
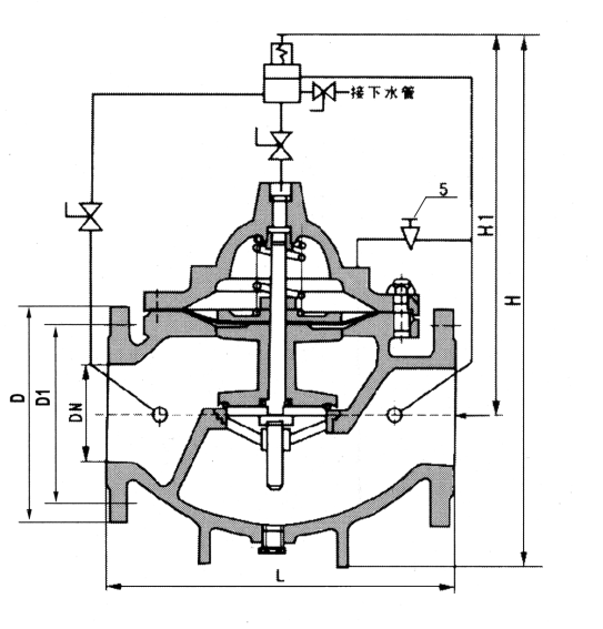
結構及用途Structure and purpose
該閥主要用于管路系統中,以防止管路系統超壓或維持管路的壓力,當泵關閉后還可以減少水錘沖擊。也可用于大型供水系統的水錘消除裝置,并且閥門控制系統的進口處裝有一個自清洗濾網,利用流體特性,使比重較大、直徑較大的懸浮顆粒不會進入控制系統,確保主閥的上游供水壓力某一設定值上使系統循環暢通無阻,該閥起閉靈敏、安全可靠、動作平穩、使用壽命長.


